HOME
ABOUT
CANNONS FOR SALE
CANNONS WANTED
REPLICA CANNONS
CANNON CARRIAGES
CANNON JOURNAL
SHIPWRECK RESEARCH
CONTACT







 






 
Logo 2
The Southeast Asian Cannon Connection!



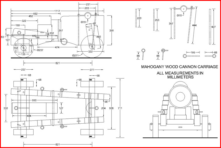
    We manufacture custom 1780's era Ship's Cannon Sea Carriages. All carriages are made of the hardest wood (Mohogany hardness or equivilant). The wood is varnished so that it appears dark in color like the originals. The two main side bolts that hold the carriage together are the old iron square-head type. All the other fittings used are brass fittings for originality. Even the four wheel pins are brass.


The above two sea carriages were made for 26 inches (66 cm) to 34 inches (91.5 cm) 100 pound (45 kilogram) length cannon barrels


    The above custom sea carriage (shown next to COKE CAN in previous picture above this) was custom made for this 31 inche (79 cm) length cannon barrel. The carriage dimensions and weight are:
Length = 18" (45.7 cm)
Width = 17.5" (44.5 cm)
Height = 10" (25.5 cm)
Weight = 21.5 lbs (10.5 kgs)



The above two SMALL custom sea carriages were made for 26 inches (66 cm) to 34 inches (91.5 cm) length cannon barrels and the bigger custom sea carriage was made for 48 inches (122 cm) to 54 inches (137 cm) length cannon barrels.


The above custom sea carriage (Biggest carriage also shown in picture showing three carriages) shown with 51 inch (127 cm) 500 pound (227 kilogram) Spanish Pedero barrel.


The above custom sea carriage was custom made for a 53 inch (127 cm) length cannon barrel (shown below). The carriage dimensions and weight are:
Length = 36.85" (93.6 cm)
Width = 21.45" (54.5 cm)
Height = 17.71" (45 cm)
Weight (approx.) = 100 lbs (45.35 kgs)



The above custom sea carriage shown with 53 inch (136 cm) 300 pound (136 kilogram) barrel of unknown origin.



The above pair of large custom sea carriages were made for a 105 inch (267 cm) length cannon barrel.


The above custom sea carriage (also shown in previous picture above this) was custom made for a 105 inch (267 cm) length cannon barrel (shown below). The carriage dimensions and weight are:
Length = 64.75" (164.5 cm)
Width = 37.5" (96 cm)
Height = 31" (78 cm)
Weight (approx.) = 400+ lbs (181+ kgs)



The above custom sea carriage (also shown in ABOVE two previous pictures) shown with a 105 inch (267 cm) 1676 Netherlands replica cannon barrel.


Above Drawing showing parts of a Cannon


     Above Drawing showing Cannon measurements needed for your custom Sea Carriage

    Please see the above drawing showing the cannon measurements required to enable us to make a custom sea carriage for your barrel. Required measurements are as follows (in Centimeters is best for us);

A = Total Barrel Length
B = Center of Trunnion to Breech Length
C = Breech Diameter
D = Cannon Diameter at Trunnions
E = End-to-End Trunnion Width
F = Chase Diameter (smallest part of cannon)
G = Trunnion Length
H = Trunnion Diameter


    Please also send a few good pictures of your cannon so we can see exactly what it looks like.

CUSTOM 1780's SEA CARRIAGE PRICING
(all prices in USD)
Barrel Length
Carriage Price
1 - 12 inches (2.5 - 30 cm)
$350.00
12 - 24 inches (30 - 61 cm)
$550.00
24 - 36 inches (61 - 91 cm)
$850.00
36 - 48 inches (91 - 122 cm)
$1,000.00
48 - 60 inches (122 - 152 cm)
$1,250.00
60 - 72 inches (152 - 183 cm)
$1,700.00
72 - 84 inches (183 - 213 cm)
$2,150.00
84 - 96 inches (213 - 244 cm)
$2,400.00
96 - 108 inches (244 - 275 cm)
$2,650.00
If you order three (3) or more of the same size there is a ten (10) percent discount
All carriages are manufactured in the Philippines
(shipping NOT included in the above prices)

We also manufacture REPLICA Bronze Cannons!




Questions or Comments? Please email us at